列间距
当前位置: 乐鱼篮球 > 产品及工程 > 公司产品 > 互感器系列 > 正文
JDZ10-35电压互感器
 发布时间:2024/10/28  来源:  
产品特点、应用场景


本产品为环氧树脂浇注全封闭型电磁式电压互感器,二次绕组数量14个,具有高精度、大容量、性能稳定等优点,供40.5kV及以下电力系统中作电压、电能测量和继电保护用。


技术参数


互感器型号

准确级

最大容量(VA

海拔

JDZ10-35

0.2/0.5/3P

50/75/150

2000米以下

0.2/0.5/0.5/3P

50/50/50/150





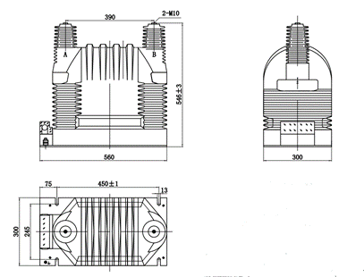
外形及安装尺寸

IMG_256


乐鱼篮球版权所有  信息中心制作及维护
最佳分辨率 1024*768像素


陕公网安备 61030502000136号  陕ICP备2021006133号-1